| Description |

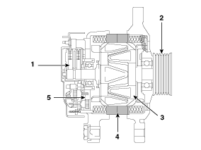
| 1. Balais 2. Poulie 3. Rotor 4. Stator 5. Redresseur |
| Spécification |
|
Élément |
Spécification |
|
|
Tension nominale |
13,5 V, 150 A |
|
|
Vitesse d'utilisation |
1 000 ~ 18 000 tr/min |
|
|
Régulateur de tension |
Régulateur I.C intégré |
|
|
Tension de réglage du régulateur |
Mode externe |
Reportez-vous au graphique ci-dessous |
|
Mode interne |
14,55 ± 0,3 V |
|
|
Température degré |
Mode externe |
0 ± 3 mV / °C |
|
Mode interne |
-3,5 ± 2 mV / °C |
|

| COMPOSANTS |

| 1. Poulie 2. Carter avant 3. Roulement avant 4. Stator 5. Rotor |
6. Roulement
arrière 7. Carter arrière 8. Ensemble du redresseur 9. Régulateur 10. Couvercle arrière |
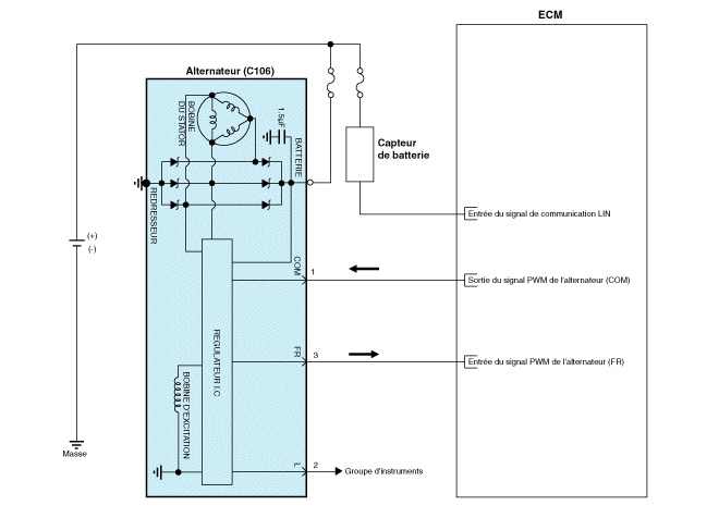
| Schéma du circuit |

|
| DÉPOSE |
| 1. |
Débranchez la borne négative de la batterie.
|
| 2. |
Déposez la courroie de transmission.
(Reportez-vous au Système mécanique du moteur - "Courroie de transmission")
|
| 3. |
Débranchez le connecteur de l'alternateur (A) et le câble (B) de la
borne "B" de l'alternateur.
|
| 4. |
Déposez le boulon passant et ensuite déposez l'alternateur (A).
|
| INSTALLATION |
| 1. |
Pour la pose, suivez la procédure inverse de la dépose.
|
| 2. |
Réglez la tension de la courroie de l'alternateur après l'installation.
(Reportez-vous au Système mécanique du moteur - "Courroie de transmission")
|
| DÉMONTAGE |
| 1. |
Déposez le couvercle arrière (A) après avoir retiré les écrous (B).
|
| 2. |
Déposez les boulons de fixation (A) et l'ensemble du régulateur (B).
|
| 3. |
Enlevez le guide de la bague de contact (A) après avoir tiré dessus.
|
| 4. |
Retirez la poulie (A).
|
| 5. |
Dessoudez les 3 fils du stator (A).
|
| 6. |
Enlevez les 4 boulons passants (A).
|
| 7. |
Déconnectez le rotor (A) et le carter (B).
|
| Remontage |
| 1. |
Pour le remontage, suivez la procédure inverse du démontage.
|
| Contrôle |
| [Rotor] |
| 1. |
Vérifiez qu'une continuité est effectivement établie entre les bagues
de coulissement (C).
|
| 2. |
Vérifiez qu'il n'y a pas de continuité entre les bagues de coulissement
et le rotor (B) ou l'arbre du rotor (A).
|
| 3. |
Si le résultat de l′un des deux tests de continuité du rotor est négatif,
remplacez l′alternateur.
|
| [Stator] |
| 4. |
Vérifiez qu'il n'y a pas de continuité entre chaque couple de câbles
(A).
|
| 5. |
Assurez-vous qu'il n'y a pas de continuité entre chaque câble et l′âme
de la bobine.
|
| 6. |
Si le résultat de l'un des deux tests de continuité de la bobine est
négatif, remplacez l'alternateur.
|
Procédures de réparation
BATTERIETémoin du système antidémarrage (avec clé intelligente) (le cas échéant)
Ce témoin s'allume pendant 30 secondes dans les cas suivants :
• Lorsque le bouton de démarrage/d'arrêt du moteur est en position ON et que
la clé intelligente est détectée dans le véhicule.
- Vous pouvez alors démarrer le moteur.
- Le témoin s'éteint après le démarr ...
Amplificateur externe
Composants et emplacement des composants
COMPOSANTS
NON
CONNECTEUR A
NON
CONNECTEUR B
1
BATT (+)
1
Haut-parleur des aigus droit (-)
2
BATT (+)
...