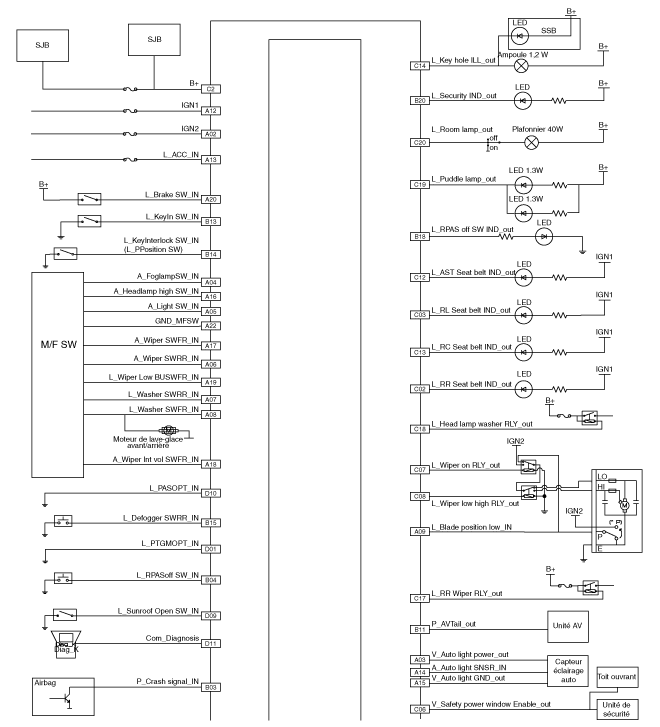
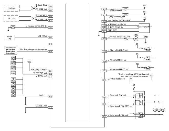
| Schéma du circuit |


Composants et emplacement des composants
Description et fonctionnementDéverrouillage du levier de vitesses
Si le levier de vitesses ne peut pas passer de la position P (Parking) Ã la position
R (Marche arrière) lorsque la pédale de frein est enfoncée, continuez à appuyer
sur le frein et procédez comme suit:
1. Mettez le contact en position LOCK/OFF.
2. Enclenchez le frein de stationnement.
...
Pour dégivrer le pare-brise intérieur
1. Sélectionnez la vitesse de ventilation souhaitée.
2. Sélectionnez la température souhaitée.
3. Appuyez sur le bouton de dégivrage ().
4. La climatisation s’allumera en fonction de la température détectée, la position
air extérieur (frais) et une vitesse de ventilateur plus éle ...