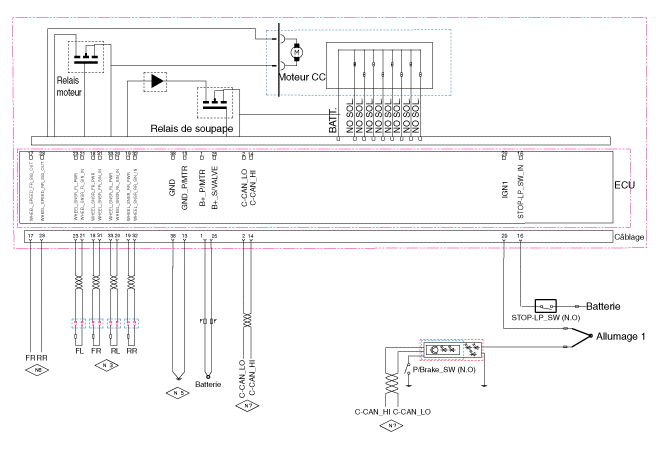
| Diagrammes Schématiques |

| FONCTION DE LA BORNE |

|
Borne du connecteur |
Courant (AMPS) |
Résistance (MΩ) |
|
|
NON |
Description |
||
|
29 |
ALLUMAGE 1 (+) |
50 mA |
60 |
|
25 |
POS. BATTERIE 1 (ÉLECTROVANNE) |
40 |
10 |
|
1 |
POS. BATTERIE 2 (MOTEUR) |
137(RUSH) |
10 |
|
38 |
masse |
40 |
250 |
|
13 |
MASSE DU MOTEUR DE LA POMPE |
137(RUSH) |
250 |
|
16 |
Interrupteur des feux de stop |
10 mA |
250 |
|
28 |
SORTIE DU CAPTEUR ARRIÈRE DROIT |
16mA |
250 |
|
2 |
LIGNE DU CAN BUS (BAS) |
30 mA |
250 |
|
14 |
LIGNE DU CAN BUS (HAUT) |
30 mA |
250 |
|
34 |
ALIMENTATION DU CAPTEUR AVANT GAUCHE |
30 mA |
250 |
|
18 |
ALIMENTATION DU CAPTEUR AVANT DROIT |
30 mA |
250 |
|
33 |
ALIMENTATION DU CAPTEUR ARRIÈRE GAUCHE |
30 mA |
250 |
|
19 |
ALIMENTATION DU CAPTEUR ARRIÈRE DROIT |
30 mA |
250 |
|
21 |
SIGNAL DU CAPTEUR AVANT GAUCHE |
16,8mA |
250 |
|
31 |
SIGNAL DU CAPTEUR AVANT DROIT |
16,8mA |
250 |
|
20 |
SIGNAL DU CAPTEUR ARRIÈRE GAUCHE |
16,8mA |
250 |
|
32 |
SIGNAL DU CAPTEUR ARRIÈRE DROIT |
16,8mA |
250 |
|
17 |
SORTIE DU CAPTEUR AVANT DROIT |
16mA |
250 |
Description et fonctionnement
Procédures de réparationCalendrier d'entretien du propriétaire
Lorsque vous faites le plein de carburant :
Vérifiez le niveau d'huile moteur.
Vérifiez le niveau de liquide de refroidissement moteur.
Vérifiez le niveau de liquide laveglace.
Vérifiez la pression de gonflage des pneus.
AVERTISSEMENT
Soyez vigilant lorsque vous vérifiez le n ...
Moteur MDPS: Procédures de réparation
REMPLACEMENT
1.
Débranchez le câble de batterie négatif de la batterie, puis attendez
au moins 30 secondes.
2.
Déposez le panneau inférieur du coussin anti-collision.
(Reportez-vous à Carrosserie - "Tableau de bord ...