| COMPOSANTS |

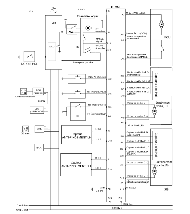
| Schéma du circuit |

| DÉPOSE |
|
| 1. |
Débranchez la borne négative (-) de la batterie.
|
| 2. |
Déposez la garniture latérale du coffre à bagages [G].
(Reportez-vous à Carrosserie - "Garniture latérale du coffre")
|
| 3. |
Retirez le module du hayon électrique (A) après avoir déconnecté les
connecteurs et retiré les écrous.
|
| INSTALLATION |
| 1. |
Installez le module de hayon électrique.
|
| 2. |
Branchez le connecteur du module de hayon électrique.
|
| 3. |
Installez la garniture latérale des bagages [D].
|
| 4. |
Brancher la borne négative (-) de la batterie.
|
Recherche de pannes
Serrure de coffre électrique: Procédures de réparationFeux antibrouillard avant (le cas échéant)
Conduite à gauche
Conduite à droite
Les feux antibrouillard améliorent la visibilité en cas de brouillard, de pluie,
de neige, etc. Utilisez le commutateur à proximité du commutateur des feux pour
activer/désactiver les feux antibrouillard.
1. Allumez les feux de stationnement.
2. ...
Informations relatives aux fichiers MP3
• Formats audio pris en charge
❈ Les formats de fichiers non compatibles avec les formats cidessus ne peuvent
pas être reconnus ou lus sans l'affichage des noms de fichiers ou d'autres informations.
• Prise en charge des fichiers compressés
1. Débits binaires pris en charge ( ...