| COMPOSANTS |

| Schéma du circuit |

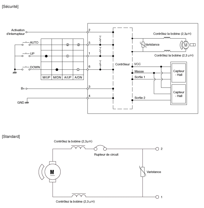
| Contrôle |
|
| 1. |
Débranchez la borne négative (-) de la batterie.
|
| 2. |
Enlevez la garniture de porte avant.
(Reportez-vous à Carrosserie - "Garniture de porte avant")
|
| 3. |
Débranchez le connecteur du moteur du moteur.
|
| 4. |
Branchez la borne N° 2 et N°3 à la tension de la batterie (12V) et vérifiez
que le moteur fonctionne sans incident lors du branchement des bornes
ci-dessous.
[Moteur de vitre de sécurité]
|
| 5. |
Branchez les bornes du moteur à la tension de batterie (12V) et confirmez
la douceur de fonctionnementdu moteur. Ensuite, inversez la polarité
et vérifiez que le moteur fonctionne normalement dans le sens inverse.
Si vous constatez que le moteur fonctionne demanière anormale, remplacez-le.
[Moteur de vitre standard]
|
| 1. |
Débranchez la borne négative (-) de la batterie.
|
| 2. |
Enlevez la garniture de porte arrière.
(Reportez-vous à Carrosserie - "Garniture de porte arrière")
|
| 3. |
Débranchez le connecteur du moteur du moteur.
|
| 4. |
Branchez les bornes du moteur N°1 et 2 directement à la tension de batterie
(12 V) et confirmez la douceur de fonctionnement du moteur.
Si vous constatez que le moteur fonctionne de manière anormale, remplacez-le.
[Moteur de vitre standard]
|
Description et fonctionnement
Interrupteur des vitres électriquesComposants et emplacement des composants
COMPOSANTS
[ 2WD ]
1. Bras oscillant
2. Amortisseur arrière
3. Bras supérieur arrière
4. Ressort hélicoïdal
5. Cadre auxiliaire
6. Barre de stabilisation arrière
7. Câble du capteur de vitesse de roue
8. Bras inférieur arriè ...
Couvercle de la console arrière
Composants et emplacement des composants
EMPLACEMENT DES COMPOSANTS
1. Revêtement de console arrière
Procédures de réparation
REMPLACEMENT
•
...