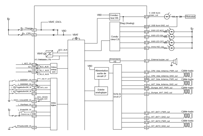
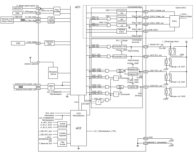
| COMPOSANTS |

|
N° |
CONNECTEUR A |
CONNECTEUR B |
CONNECTEUR C |
|
1 |
BATT (+) |
Sortie Relais ALL2 |
Alimentation de l'antenne de l'immobilisateur |
|
2 |
BATT (+) |
Sortie Relais ALL1 |
Entrée du capteur de vitesse de roue |
|
3 |
Interior antenna 1_GND |
- |
SSB switch1 signal_input |
|
4 |
Bumpper antenna_GND |
- |
- |
|
5 |
Interior antenna 2_GND |
Communication ESCL |
Commutateur de déverrouillage ESCL |
|
6 |
Assist door antenna_GND |
Communication EMS |
Entrée du signal 'P' |
|
7 |
- |
B-CAN (haut) |
Entrée interrupteur freins |
|
8 |
Masse antenne porte du conducteur |
B-CAN (bas) |
IGN2 signal_input |
|
9 |
- |
- |
IGN1 signal_input |
|
10 |
Éclairage SSB (-) |
- |
Sortie relais du démarreur |
|
11 |
Avertisseur Sonore Extérieur |
- |
GND de l'antenne de l'immobilisateur |
|
12 |
Alimentation ESCL |
Sortie Relais ACC |
RPM_Input |
|
13 |
- |
- |
SSB switch2 signal_input |
|
14 |
Alimentation de l'antenne intérieure 1 |
MASSE |
Driver's door switch signal_input |
|
15 |
Bumpper antenna_Power |
Indicateur de CLÉ SORTIE |
Entrée signal interrupteur porte passager |
|
16 |
Alimentation de l'antenne intérieure 2 |
SSB LED (ACC) |
Start signal feedback_input |
|
17 |
Assist door antenna_Power |
SSB LED (IGN) |
Stop lamp fuse signal_input |
|
18 |
- |
- |
ACC signal_input |
|
19 |
Alimentation antenne porte du conducteur |
SSB LED (OFF) |
- |
|
20 |
- |
Éclairage SSB (-) |
MASSE |
|
21 |
Activation ESCL |
Indicateur de l'immobilisateur |
|
|
22 |
MASSE ESCL |
- |
| Schéma du circuit |


| DÉPOSE |
| 1. |
Débranchez la borne négative (-) de la batterie.
|
| 2. |
Déposez le panneau inférieur du coussin anti-collision.
(Reportez-vous à Carrosserie - "Tableau de bord inférieur")
|
| 3. |
Déconnectez le câble d'antenne (A) et les connecteurs de l'unité SMK
(B).
|
| 4. |
Retirez l'unité SMK (A) après avoir desserré les vis de fixation.
|
|
| 1. |
Débranchez la borne négative (-) de la batterie.
|
| 2. |
Retirez le plateau avant de la console au plancher.
(Reportez-vous au groupe Carrosserie - "Console au plancher")
|
| 3. |
Déposez l'antenne 1 intérieure (B) en desserrant les écrous de fixation
et en déconnectant le connecteur (A).
|
| 1. |
Débranchez la borne négative (-) de la batterie.
|
| 2. |
Retirez le tapis de sol arrière.
(Voir Carrosserie - "Tapis de sol")
|
| 3. |
Déposez l'antenne 2 intérieure (B) en desserrant les écrous de fixation
et en déconnectant le connecteur (A).
|
| 1. |
Débranchez la borne négative (-) de la batterie.
|
| 2. |
Enlevez le couvercle du pare-chocs arrière.
(Reportez-vous à Carrosserie - "Capot du pare-chocs arrière")
|
| 3. |
Retirez l'antenne de pare-chocs arrière (A) en desserrant les vis de
fixation.
|
| 1. |
Débranchez la borne négative (-) de la batterie.
|
| 2. |
Retirez le guide de la roue gauche avant.
(Reportez-vous à Carrosserie - "Garde-boue avant")
|
| 3. |
Enlevez l'avertisseur sonore (A) après avoir débranché le connecteur.
|
| 1. |
Débranchez la borne négative (-) de la batterie.
|
| 2. |
Déposez la poignée extérieure avant de porte.
(Voir Carrosserie - "Poignée extérieure de porte avant")
|
| 1. |
Débranchez la borne négative (-) de la batterie.
|
| 2. |
Enlevez la garniture du hayon.
(Voir Carrosserie - "Garniture du hayon")
|
| 3. |
Déposez le panneau arrière du hayon.
(Voir Carrosserie - "Panneau arrière du hayon")
|
| 4. |
Déposez l'interrupteur d'ouverture du hayon (A) après avoir desserré
les vis de fixation.
|
| Contrôle |
| 1. |
Déconnectez le connecteur de la poignée extérieure de porte avant (A).
|
| 2. |
Vérifiez la continuité entre les bornes No 3 et No 6.
|
| 1. |
Contrôlez la continuité entre les bornes de la serrure du hayon.
|
| 2. |
Si la continuité n'est pas spécifiée, contrôlez l'interrupteur
|
| INSTALLATION |
| 1. |
Posez l'unité de clé smart.
|
| 2. |
Installez les boulons de fixation de l'unité Smartkey et branchez le
connecteur.
|
| 3. |
Posez la boîte à gants.
|
| 4. |
Posez la borne négative (-) de la batterie et contrôlez le système clé
smart.
|
| 1. |
Posez l'antenne intérieure 1.
|
| 2. |
Installez le plateau avant de la console au plancher.
|
| 3. |
Posez la borne négative (-) de la batterie et contrôlez le système clé
smart.
|
| 1. |
Posez l'antenne intérieure 2.
|
| 2. |
Installez le tapis de sol arrière.
|
| 3. |
Posez la borne négative (-) de la batterie et contrôlez le système clé
smart.
|
| 1. |
Installez l'antenne de pare-chocs arrière.
|
| 2. |
Installez le couvercle du pare-chocs arrière.
|
| 3. |
Posez la borne négative (-) de la batterie et contrôlez le système clé
smart
|
| 1. |
Posez la poignée extérieure.
|
| 2. |
Installez la poignée de porte extérieure avant.
|
| 3. |
Posez la borne négative (-) de la batterie et contrôlez le système clé
smart.
|
| 1. |
Installez le commutateur d'ouverture du hayon.
|
| 2. |
Posez la garniture du hayon.
|
| 3. |
Installez le panneau arrière du hayon.
|
| 4. |
Posez la borne négative (-) de la batterie et contrôlez le système clé
smart
|
Clés SMART: Procédures de réparation
Diagnostic Smartkey: Procédures de réparationBonnes pratiques de conduite
Ne laissez jamais votre véhicule avancer en roue libre sans enclencher
de vitesse dans une descente. Cette pratique est extrêmement dangereuse.
N'appuyez pas en permanence sur les freins. Cela peut entraîner une surchauffe
et un dysfonctionnement des freins et des éléments associ ...
Garniture de la porte: Procédures de réparation
REMPLACEMENT
•
Portez des gants pour éviter de blesser vos mains.
•
...