| COMPOSANTS |

| 1. Ventilateur de refroidissement 2. Moteur du ventilateur |
3. Capotage du ventilateur de
refroidissement 4. Contrôleur du ventilateur de refroidissement (PWM) |
| Spécifications |
|
Élément |
Spécification |
|
Capacité du moteur (W) |
170 |
|
Type de ventilateur |
EXTRACTEUR |
|
Commande de vitesse du ventilateur |
PWM |
|
Consommation de courant |
14,2 +10% MAX. |
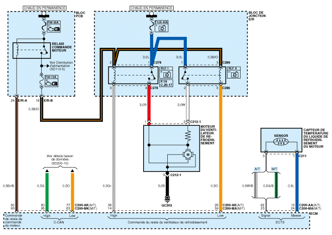
| Schéma du circuit |


| Dépose et pose |
| 1. |
Débranchez la borne négative de la batterie.
|
| 2. |
Enlevez le conduit d'air et l'ensemble du filtre à air.
(Reportez-vous au système d'admission et d'échappement - "Filtre à air")
|
| 3. |
Déposez la batterie et le plateau de la batterie.
(Reportez-vous à Système électrique du moteur - "Batterie".)
|
| 4. |
Déconnectez le connecteur du faisceau de câblage (A).
|
| 5. |
Déposez le boulon du support de fixation du flexible supérieur du radiateur
(A).
|
| 6. |
Déposez le boulon du support de fixation du flexible inférieur du radiateur
(A).
|
| 7. |
Déposez le ventilateur de refroidissement (A).
|
| 1. |
Débranchez le connecteur du faisceau de câblage (A) et le connecteur
du moteur de ventilateur (B).
|
| 2. |
Déposez la PWM (A) de l'écran du ventilateur de refroidissement.
|
| 3. |
Pour la pose, suivez la procédure inverse de la dépose.
|
| DÉMONTAGE |
| 1. |
Déposez le ventilateur de refroidissement (A) de l'ensemble du ventilateur
de refroidissement.
|
| 2. |
Déconnectez le connecteur du moteur du ventilateur (A) de la PWM.
|
| 3. |
Desserrez les vis puis déposez le moteur du ventilateur (A) du déflecteur
du ventilateur de refroidissement.
|
| 4. |
El armado será en el orden inverso al de desarmado.
|
| Contrôle |
| Moteur du ventilateur |
| 1. |
Déconnectez le connecteur du moteur du ventilateur de la PWM.
|
| 2. |
Connectez la tension de la batterie à la borne "+" et la masse à la
borne "-".
|
| 3. |
Vérifiez si le moteur du ventilateur de refroidissement fonctionne correctement.
|
Réfrigérant: Procédures de réparation
RADIATEURUtilisation de la ceinture de sécurité pendant la grossesse
La ceinture de sécurité doit toujours être utilisée pendant la grossesse. Le
meilleur moyen de protéger votre enfant à naître est de vous protéger en mettant
toujours votre ceinture de sécurité.
Les femmes enceintes doivent toujours utiliser une ceinture 3 points. Placez
la sangle d ...
Protection contre la corrosion
Protection de votre véhicule contre la corrosion
Nous utilisons les techniques de conception et de fabrication les plus avancées
pour lutter contre la corrosion et produire des véhicules d'une qualité inégalée.
Mais cela ne suffit pas. Le propriétaire joue également un rôle essenti ...