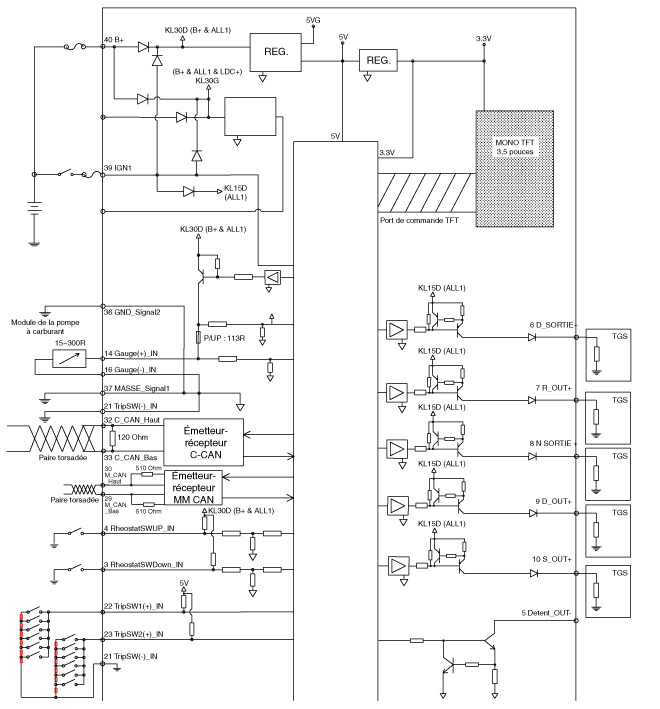
| COMPOSANTS |



|
N° |
Description |
N° |
Description |
|
1 |
MASSE |
21 |
Interrupteur journalier (-) |
|
2 |
ÉCLAIRAGE (-) |
22 |
Interrupteur journalier 1 (+) |
|
3 |
Entrée (basse) interrupteur rhéostat |
23 |
Interrupteur journalier 2 (+) |
|
4 |
Entrée (haute) interrupteur rhéostat |
24 |
- |
|
5 |
Détente |
25 |
Haut-parleur (-) (type supervision uniquement) |
|
6 |
AT (Position 'P') |
26 |
Haut-parleur (-) (type supervision uniquement) |
|
7 |
AT (position 'R') |
27 |
- |
|
8 |
AT (position 'N') |
28 |
- |
|
9 |
AT (position 'D') |
29 |
CAN multimédia (bas) |
|
10 |
AT (Position 'S') |
30 |
CAN multimédia (haut) |
|
11 |
- |
31 |
Driver mode switch_Input (AT uniquement) |
|
12 |
Commutateur de pression d'huile_entrée (essence seulement) |
32 |
CAN châssis (HAUT) |
|
13 |
Alternator_Input (essence uniquement) |
33 |
CAN châssis (BAS) |
|
14 |
Entrée de l'émetteur de carburant (-) |
34 |
Signal bas du niveau de lave-glace |
|
15 |
AIRBAG (+)_entrée |
35 |
Séparateur d'eau (Diesel uniquement) |
|
16 |
Entrée de l'émetteur de carburant (-) |
36 |
MASSE |
|
17 |
Entrée de l'immobiliseur |
37 |
MASSE |
|
18 |
Sortie de vitesse du véhicule |
38 |
Volant de direction Flex (TM uniquement) |
|
19 |
- |
39 |
ALL 1 |
|
20 |
Entrée feu arrière |
40 |
Batterie (+) |
| Schéma du circuit |
| [Standard général] |



| [Supervision générale] |



| Description |

|
ABRÉVIATION |
Explications |
|
ACU |
Unité de commande de l’airbag |
|
ABS |
Système d'antiblocage de frein |
|
AEB |
Freinage d'urgence autonome |
|
AFLS |
Système d’éclairage frontal adaptatif |
|
Amp |
Amplificateur |
|
AVN |
Unité du phare (Audio / AVN) |
|
B_CAN |
Réseau de la zone contrôleur de la carrosserie |
|
BCM |
Module de commande de la carrosserie |
|
BSD |
Système de détection d'angle mort |
|
C_CAN |
Réseau de la zone contrôleur du châssis |
|
EMB |
Module du groupe d'instruments |
|
CAMERA |
Caméra vue arrière |
|
DATC |
Commande de temp. automatique dual |
|
ESC |
Programme de stabilité électronique |
|
EPB |
Frein de stationnement électronique |
|
EMS |
Système de gestion du moteur |
|
POMPE CARBURANT |
Pompe à carburant |
|
LDWS |
Système d'avertissement de sortie de voie |
|
M_CAN |
Réseau de la zone contrôleur multimédia |
|
MDPS |
Direction assistée entraînée par moteur |
|
P_CAN |
Réseau de zone du contrôleur du groupe motopropulseur |
|
PTG |
HAYON ÉLECTRIQUE |
|
SJB |
Bloc de jonction Smart |
|
SMK |
unité de clef smart |
|
SPAS |
Système d'aide au stationnement intelligent |
|
TCU |
Unité de commande de transmission |
|
TMU |
Système de télématique |
|
4WD |
Système 4 roues motrices |
| 1. |
Communication CAN haute vitesse (C-CAN)
|
| 2. |
Communication CAN basse vitesse (M-CAN)
|
| 3. |
Sortie audio
Différentes alarmes et des effets sonores sont émis par l'intermédiaire
des hauts-parleurs externes connectés au tableau de bord.
Si AMP externe est appliqué, une alarme directionnelle est émise via
amp.
|
| 4. |
Mode de réglage utilisateur (USM)
Le réglage peut être modifié à l'aide des commutateurs (Menu, montée,
descente et bouton OK). Il existe plusieurs articles (par exemple, synchronisation
entrée/sortie de siège, synchronisation entrée/sortie du volant moteur,
verrouillage automatique porte, désactivation de verrouillage automatique
porte, fonction escorte de phare, éclairage de bienvenue, son de bienvenue,
feu clignotant à une touche, réinitialisation automatique de la consommation
en moyenne de carburant, luminosité, et configuration de contenu) qui
peuvent être configurés et personnalisés. La circulation des signaux
pendant le paramétrage est comme suit.
|
| DÉPOSE |
|
| 1. |
Débranchez la borne négative (-) de la batterie.
|
| 2. |
Déposez le panneau du groupe d’instruments.
(Reportez-vous à Carrosserie - "Tableau de bord inférieur")
|
| 3. |
Séparez le groupe d'instruments (A) en desserrant les vis de fixation.
|
| 4. |
Retirez le groupe d'instruments après avoir déconnecté le connecteur
du groupe d'instruments (A).
|
| 1. |
Débranchez la borne négative (-) de la batterie.
|
| 2. |
Déposez le panneau supérieur du groupe d’instruments.
(Reportez-vous à Carrosserie - "Tableau de bord inférieur")
|
| 3. |
Séparez le haut-parleur du groupe d'instruments (A) en desserrant les
vis de fixation.
|
| 4. |
Retirez le haut-parleur du groupe d'instruments (A) après avoir déconnecté
le connecteur du haut-parleur (B).
|
| INSTALLATION |
| 1. |
Installez le haut-parleur après avoir connecté les connecteurs du groupe
d'instruments.
|
| 2. |
Installez le panneau du groupe d’instruments.
|
| 3. |
Brancher la borne négative (-) de la batterie.
|
| 1. |
Installez le haut-parleur du groupe d'instruments après avoir connecté
les connecteurs du groupe d'instruments.
|
| 2. |
Installez le panneau supérieur du groupe d’instruments.
|
| 3. |
Brancher la borne négative (-) de la batterie.
|
| Contrôle |
| 1. |
Point de vérification (Voyant d'avertissement)
|
| 2. |
Point de vérification (jauge)
|
| 1. |
Dans le système électrique de carrosserie, la défaillance peut être
rapidement diagnostiquée avec le système de diagnostic du véhicule (GDS).
Le système de diagnostic (GDS) fournit les informations suivantes.
|
| 2. |
Sélectionnez "Modèle de voiture" et le "Module du groupe d'instruments
(CLU)" à vérifier afin de vérifier le véhicule avec le testeur
|
| 3. |
Sélectionnez le menu "Données actuelles" pour rechercher l'état actuel
des données d'entrée/sortie.
|
| 4. |
Pour actionner la valeur d'entrée de force du module à contrôler, sélectionnez
l'option "Test d'actionnement"
|
| 1. |
Connectez le câble de GDS au connecteur de liaison de données dans le
rembourrage inférieur anti-collision du côté du conducteur, branchez
GDS.
|
| 2. |
Sélectionnez le modèle et "BCM".
|
| 3. |
Sélectionnez le mode de codage de variantes à effectuer.
|
| 4. |
Si les codes erreurs se produisent pendant le codage de variante, essayez
à nouveau après avoir contrôlé l'état d'installation du système CLU.
|
Commande de blocage d′allumage
Spécifications
Spécifications
Élément
Spécifications
Tension de fonctionnement
12 V CC
Force de fonctionnement
Position initiale : 0,25 ± 0,15N(0,025 ± 0,015kg, 0,056 ± 0,034lb)
...
Airbag avant conducteur et passager (le cas échéant)
Airbag conducteur avant / Conduite à gauche
Airbag conducteur avant / Conduite à droite
Airbag passager avant / Conduite à gauche
Conduite à droite
Votre véhicule est équipé d'un système de retenue supplémentaire (SRS) et de
ceintures 3 points au niveau des sièges conduct ...