Hyundai Tucson manuels

Hyundai Tucson Revue Technique Automobile: Unité de clef smart

Composants et emplacement des composants

COMPOSANTS


CONNECTEUR A
CONNECTEUR B
CONNECTEUR C
1
BATT (+)
Sortie Relais ALL2
Alimentation de l'antenne de l'immobilisateur
2
BATT (+)
Sortie Relais ALL1
Entrée du capteur de vitesse de roue
3
Interior antenna 1_GND
-
SSB switch1 signal_input
4
Bumpper antenna_GND
-
-
5
Interior antenna 2_GND
Communication ESCL
Commutateur de déverrouillage ESCL
6
Assist door antenna_GND
Communication EMS
Entrée du signal 'P'
7
-
B-CAN (haut)
Entrée interrupteur freins
8
Masse antenne porte du conducteur
B-CAN (bas)
IGN2 signal_input
9
-
-
IGN1 signal_input
10
Éclairage SSB (-)
-
Sortie relais du démarreur
11
Avertisseur Sonore Extérieur
-
GND de l'antenne de l'immobilisateur
12
Alimentation ESCL
Sortie Relais ACC
RPM_Input
13
-
-
SSB switch2 signal_input
14
Alimentation de l'antenne intérieure 1
MASSE
Driver's door switch signal_input
15
Bumpper antenna_Power
Indicateur de CLÉ SORTIE
Entrée signal interrupteur porte passager
16
Alimentation de l'antenne intérieure 2
SSB LED (ACC)
Start signal feedback_input
17
Assist door antenna_Power
SSB LED (IGN)
Stop lamp fuse signal_input
18
-
-
ACC signal_input
19
Alimentation antenne porte du conducteur
SSB LED (OFF)
-
20
-
Éclairage SSB (-)
MASSE
21
Activation ESCL
Indicateur de l'immobilisateur

22
MASSE ESCL
-

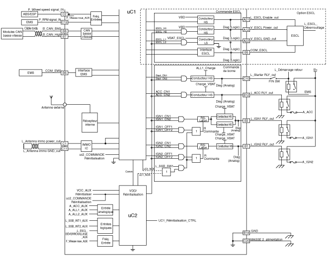
Diagrammes schématiques

Schéma du circuit

Procédures de réparation

DÉPOSE
unité de clef smart
1.
Débranchez la borne négative (-) de la batterie.
2.
Déposez le panneau inférieur du coussin anti-collision.
(Reportez-vous à Carrosserie - "Tableau de bord inférieur")
3.
Déconnectez le câble d'antenne (A) et les connecteurs de l'unité SMK (B).

4.
Retirez l'unité SMK (A) après avoir desserré les vis de fixation.

Antenne intérieure 1
  
Faites attention de ne pas rayer le coussin anti-collision et les pièces relatives.
1.
Débranchez la borne négative (-) de la batterie.
2.
Retirez le plateau avant de la console au plancher.
(Reportez-vous au groupe Carrosserie - "Console au plancher")
3.
Déposez l'antenne 1 intérieure (B) en desserrant les écrous de fixation et en déconnectant le connecteur (A).

Antenne intérieure 2
1.
Débranchez la borne négative (-) de la batterie.
2.
Retirez le tapis de sol arrière.
(Voir Carrosserie - "Tapis de sol")
3.
Déposez l'antenne 2 intérieure (B) en desserrant les écrous de fixation et en déconnectant le connecteur (A).

Antenne de pare-chocs arrière
1.
Débranchez la borne négative (-) de la batterie.
2.
Enlevez le couvercle du pare-chocs arrière.
(Reportez-vous à Carrosserie - "Capot du pare-chocs arrière")
3.
Retirez l'antenne de pare-chocs arrière (A) en desserrant les vis de fixation.

Avertisseur sonore
1.
Débranchez la borne négative (-) de la batterie.
2.
Retirez le guide de la roue gauche avant.
(Reportez-vous à Carrosserie - "Garde-boue avant")
3.
Enlevez l'avertisseur sonore (A) après avoir débranché le connecteur.

Poignée extérieure de porte
1.
Débranchez la borne négative (-) de la batterie.
2.
Déposez la poignée extérieure avant de porte.
(Voir Carrosserie - "Poignée extérieure de porte avant")

Interrupteur d'ouverture du hayon
1.
Débranchez la borne négative (-) de la batterie.
2.
Enlevez la garniture du hayon.
(Voir Carrosserie - "Garniture du hayon")
3.
Déposez le panneau arrière du hayon.
(Voir Carrosserie - "Panneau arrière du hayon")
4.
Déposez l'interrupteur d'ouverture du hayon (A) après avoir desserré les vis de fixation.

Contrôle
unité de clef smart
(Voir Système clé Smart - "Diagnostic clé Smart")
Interrupteur de clé smart
(Voir Système clé Smart - "Diagnostic clé Smart")
ANTENNE
(Voir Système clé Smart - "Diagnostic clé Smart")
Poignée extérieure de porte
1.
Déconnectez le connecteur de la poignée extérieure de porte avant (A).

2.
Vérifiez la continuité entre les bornes No 3 et No 6.

NON
Description
1
Antenne de porte (-)
2
LED de la lampe de poche (-)
3
Commutateur du bouton de verrouillage/déverrouillage de porte
4
Antenne de porte (-)
5
LED de la lampe de poche (-)
6
Masse du commutateur du bouton de verrouillage/déverrouillage de porte

Interrupteur d'ouverture du hayon
1.
Contrôlez la continuité entre les bornes de la serrure du hayon.

2.
Si la continuité n'est pas spécifiée, contrôlez l'interrupteur

INSTALLATION
unité de clef smart
1.
Posez l'unité de clé smart.
2.
Installez les boulons de fixation de l'unité Smartkey et branchez le connecteur.
3.
Posez la boîte à gants.
4.
Posez la borne négative (-) de la batterie et contrôlez le système clé smart.
Antenne intérieure 1
1.
Posez l'antenne intérieure 1.
2.
Installez le plateau avant de la console au plancher.
3.
Posez la borne négative (-) de la batterie et contrôlez le système clé smart.
Antenne intérieure 2
1.
Posez l'antenne intérieure 2.
2.
Installez le tapis de sol arrière.
3.
Posez la borne négative (-) de la batterie et contrôlez le système clé smart.
Antenne de pare-chocs arrière
1.
Installez l'antenne de pare-chocs arrière.
2.
Installez le couvercle du pare-chocs arrière.
3.
Posez la borne négative (-) de la batterie et contrôlez le système clé smart
Poignée extérieure de porte
1.
Posez la poignée extérieure.
2.
Installez la poignée de porte extérieure avant.
3.
Posez la borne négative (-) de la batterie et contrôlez le système clé smart.
Interrupteur d'ouverture du hayon
1.
Installez le commutateur d'ouverture du hayon.
2.
Posez la garniture du hayon.
3.
Installez le panneau arrière du hayon.
4.
Posez la borne négative (-) de la batterie et contrôlez le système clé smart
Clés SMART: Procédures de réparation
Clés SMART Enregistrement du Code Clé Smart 1. Connectez le câble DLC de GDS au connecteur de liaison de données (16 broches) dans le rembourrage inférieu ...

Diagnostic Smartkey: Procédures de réparation
Contrôle Auto Diagnostic Avec l'Analyseur-Contrôleur On pourra diagnostiquer rapidement les défauts de la CLÉ SMART avec GDS. GDS peut faire fonctionner l'actionneur ...

Autres materiaux:

Boucle de ceinture de sécurité arrière
Composants et emplacement des composants EMPLACEMENT DES COMPOSANTS 1. Boucle ceinture de sécurité arrière [G] 2. Boucle ceinture de sécurité arrière [D] 3. Boucle de ceinture de sécurité arrière centrale Procédures de réparation ...

Fermeture de la trappe à carburant
1. Pour installer le bouchon, tournezle dans le sens horaire jusqu'à ce que vous entendiez un clic. 2. Fermez correctement la trappe à carburant. AVERTISSEMENT L'essence est très inflammable et explosive. Tout non-respect des instructions ci-dessous peut entraîner des BLESSURES G ...

© 2016-2025 Kopyright www.htumanuel.com