| Description |

| 1. Balais 2. Poulie 3. Rotor 4. Stator 5. Redresseur |
| Spécification |
|
Élément |
Spécification |
|
|
Tension nominale |
13,5 V, 150 A |
|
|
Vitesse d'utilisation |
1 000 ~ 18 000 tr/min |
|
|
Régulateur de tension |
Régulateur I.C intégré |
|
|
Tension de réglage du régulateur |
Mode externe |
Reportez-vous au graphique ci-dessous |
|
Mode interne |
14,55 ± 0,3 V |
|
|
Température degré |
Mode externe |
0 ± 3 mV / °C |
|
Mode interne |
-3,5 ± 2 mV / °C |
|

| COMPOSANTS |

| 1. Poulie 2. Carter avant 3. Roulement avant 4. Stator 5. Rotor |
6. Roulement
arrière 7. Carter arrière 8. Ensemble du redresseur 9. Régulateur 10. Couvercle arrière |
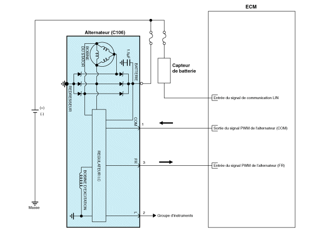
| Schéma du circuit |

|
| DÉPOSE |
| 1. |
Débranchez la borne négative de la batterie.
|
| 2. |
Déposez la courroie de transmission.
(Reportez-vous au Système mécanique du moteur - "Courroie de transmission")
|
| 3. |
Débranchez le connecteur de l'alternateur (A) et le câble (B) de la
borne "B" de l'alternateur.
|
| 4. |
Déposez le boulon passant et ensuite déposez l'alternateur (A).
|
| INSTALLATION |
| 1. |
Pour la pose, suivez la procédure inverse de la dépose.
|
| 2. |
Réglez la tension de la courroie de l'alternateur après l'installation.
(Reportez-vous au Système mécanique du moteur - "Courroie de transmission")
|
| DÉMONTAGE |
| 1. |
Déposez le couvercle arrière (A) après avoir retiré les écrous (B).
|
| 2. |
Déposez les boulons de fixation (A) et l'ensemble du régulateur (B).
|
| 3. |
Enlevez le guide de la bague de contact (A) après avoir tiré dessus.
|
| 4. |
Retirez la poulie (A).
|
| 5. |
Dessoudez les 3 fils du stator (A).
|
| 6. |
Enlevez les 4 boulons passants (A).
|
| 7. |
Déconnectez le rotor (A) et le carter (B).
|
| Remontage |
| 1. |
Pour le remontage, suivez la procédure inverse du démontage.
|
| Contrôle |
| [Rotor] |
| 1. |
Vérifiez qu'une continuité est effectivement établie entre les bagues
de coulissement (C).
|
| 2. |
Vérifiez qu'il n'y a pas de continuité entre les bagues de coulissement
et le rotor (B) ou l'arbre du rotor (A).
|
| 3. |
Si le résultat de l′un des deux tests de continuité du rotor est négatif,
remplacez l′alternateur.
|
| [Stator] |
| 4. |
Vérifiez qu'il n'y a pas de continuité entre chaque couple de câbles
(A).
|
| 5. |
Assurez-vous qu'il n'y a pas de continuité entre chaque câble et l′âme
de la bobine.
|
| 6. |
Si le résultat de l'un des deux tests de continuité de la bobine est
négatif, remplacez l'alternateur.
|
Procédures de réparation
BATTERIETémoin du système EBD
Ces deux témoins s'allument simultanément dans les situations suivantes :
Lorsque le système ABS et le système de freinage normal risquent de ne
pas fonctionner correctement.
Dans ce cas, nous vous conseillons de faire vérifier votre véhicule par un concessionnaire
HYUNDAI ag ...
Pressions de gonflage des pneus recommandées à froid
Vérifiez toujours la pression des pneus (roue de secours incluse) à froid. Cela
signifie que votre véhicule doit avoir parcouru moins de 1,6 km(1mile) au cours
des 3 dernières heures.
Les pressions recommandées doivent être respectées pour garantir un confort de
conduite optimal, la ma ...